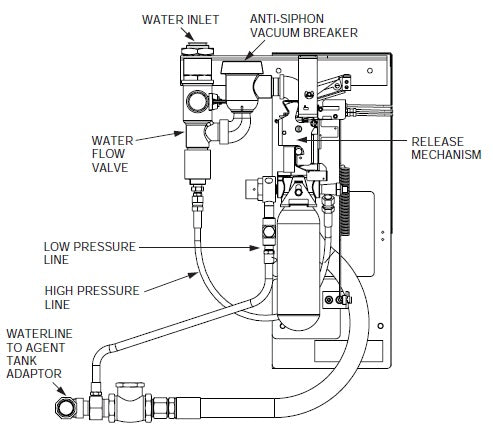
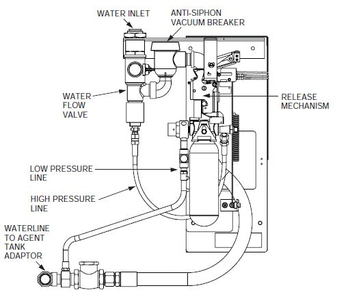
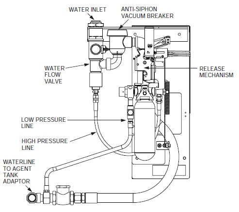
Ansul Automan Mechanical Regulated Release, Piranha, OEM
Ansul Automan Mechanical Regulated Release, Piranha, OEM
Part Number
SKU: 423629
Price:
Login FirstShipping calculated at checkout.
Description:
Ansul Automan Mechanical Regulated Release, Piranha, OEM (order tank separately)
